Where to Ground an 04 Saturn Ion for Jumping

  1. Forum
  2. Main Forum
  3. Post your repair questions here
  4. 2004 saturn ion 2.2 liter manual trans no crank

2004 saturn ion 2.2 liter manual trans no crank

27 Oct 2017 18:29 - 27 Oct 2017 18:33 #14257 by cheryl hartkorn

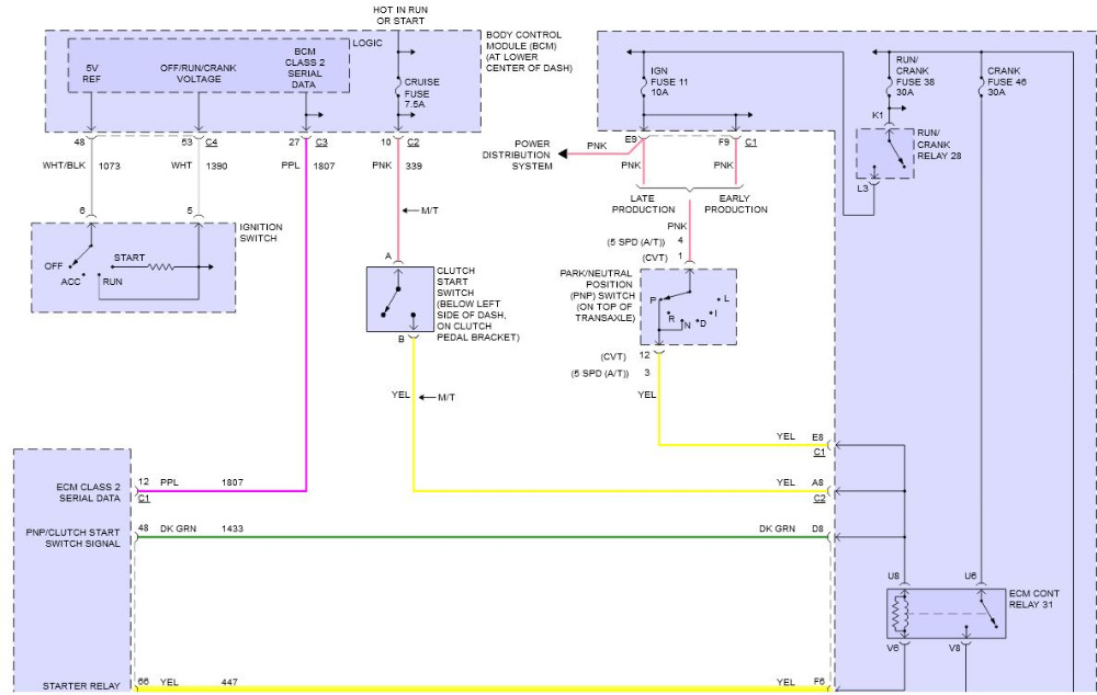
long story. towed to me for a no crank plugged in scanner no communication with the ecm. i could communicate with other modules. found the ecm/tcm 1 fuse open (10) amp if i remember right. had communication back. jumped starter relay no crank. used test light down at starter it lit the test light. replaced starter. still no crank. BUT this time jumping the relay it cranks..... after more testing found the pcm ground for the starter relay lights the testlight dim for a split second goes out. (other person diagnosed an ignition switch) i install it per request did the 30 min key relearn same thing.... but if i wrap a piece of wire round the leg of the realy and ground it during cranking it fires up. load tested the wire from the relay to the pcm lights a headlight nice and bright. loaded powers and grounds with light all good. about to call a pcm.... its like the driver is weak or sometrhing. Jumping the relay should eliminate engine grounds since it starts. trying to find ignition switch status on snap on scanner dont see a pid....

Last edit: 27 Oct 2017 18:33 by cheryl hartkorn.

Please Log in or Create an account to join the conversation.

27 Oct 2017 22:25 - 27 Oct 2017 22:28 #14261 by Chad

.... but if i wrap a piece of wire round the leg of the realy and ground it during cranking it fires up.

If grounding the yellow wire on C2, pin 66 of the ECM, while cranking solve the issue, than I would agree with....

its like the driver is weak or sometrhing

1_2017-10-28.JPG

2_2017-10-28.JPG

I would double check ECM grounds.
And check for power on the Dark Green wire on pin 48.


"Knowledge is a weapon. Arm yourself, well, before going to do battle."
"Understanding a question is half an answer."

I have learned more by being wrong, than I have by being right. :)

Attachments:
  • 1_2017-10-28.JPG

  • 2_2017-10-28.JPG

Last edit: 27 Oct 2017 22:28 by Chad.

Please Log in or Create an account to join the conversation.

28 Oct 2017 09:29 #14274 by Tyler

Certainly seems like an ECM to me... It sounds like there's high resistance that's heating up and causing a voltage drop. If you included the female pin on the ECM connector as part of your load test, then I think you're done.

As for the ignition switch PID, I'm sure you tried the BCM? Also, what happened to this thing? :silly: Reverse jump?

Please Log in or Create an account to join the conversation.

28 Oct 2017 10:15 #14280 by cheryl hartkorn

ill ask and let you know! i unplugged the relay used a spade terminal unplugged pcm as well. put power in through the relay side lights the headlight bulb nice and bright front probing the pcm connector.... only thing i seen was an ignition 1 voltage pid in the ecm. ill have to double check the bcm. shoulda recorded it for youtube would have been a good case study!

Please Log in or Create an account to join the conversation.

01 Nov 2017 12:57 #14398 by Nandor69

I would also make sure the ecm is getting the signal from the clutch start switch on the green wire on pin 48.
Also, because you are grounding the control side of the relay at the relay, that could possibly mean that the yellow control wire has a break. Use the test light connected to batt positive and back probe pin 66. If the light goes out you know the ecm is trying to ground the relay. you can also use your test light and ground pin 66 with the test light and then crank it and see if it starts. If it doesn't then you have a break in the wire.

But I would also check and make sure the signal from the clutch switch is getting to the ecm on pin 48. If it doesn't see that then it won't send a signal to ground the relay

Please Log in or Create an account to join the conversation.

01 Nov 2017 13:06 - 01 Nov 2017 13:06 #14399 by Nandor69

[quote=" after more testing found the pcm ground for the starter relay lights the testlight dim for a split second goes out." [/quote]

Im not sure I'm following what you are saying here. If the test light goes out that would tell me that the ecm is grounding the circuit.
If you test light is connected to ground and back probing pin pin 66 the test light should be lite until you crank the engine.

Last edit: 01 Nov 2017 13:06 by Nandor69.

Please Log in or Create an account to join the conversation.

Forum Access

  • Not Allowed: to create new topic.
  • Not Allowed: to reply.
  • Not Allowed: to edit your message.
  1. Forum
  2. Main Forum
  3. Post your repair questions here
  4. 2004 saturn ion 2.2 liter manual trans no crank

Time to create page: 0.346 seconds

Where to Ground an 04 Saturn Ion for Jumping

Source: https://www.scannerdanner.com/forum/post-your-repair-questions-here/1776-2004-saturn-ion-2-2-liter-manual-trans-no-crank.html

0 Response to "Where to Ground an 04 Saturn Ion for Jumping"

Post a Comment

Iklan Atas Artikel

Iklan Tengah Artikel 1

Iklan Tengah Artikel 2

Iklan Bawah Artikel